KJF

ENG

Top Type Flange Clamp

YOU CAN COUNT ON OUR EXPERTISE

Features
  • 직선 작동 피스톤로드
  • 복동
  • 플로우 컨트롤 밸브 장착형
  • 설치 용이
  • 내경범위 : ø25~55
  • 작동범위 : 15~250kgf/㎠
  • 사용온도 : 0~60℃
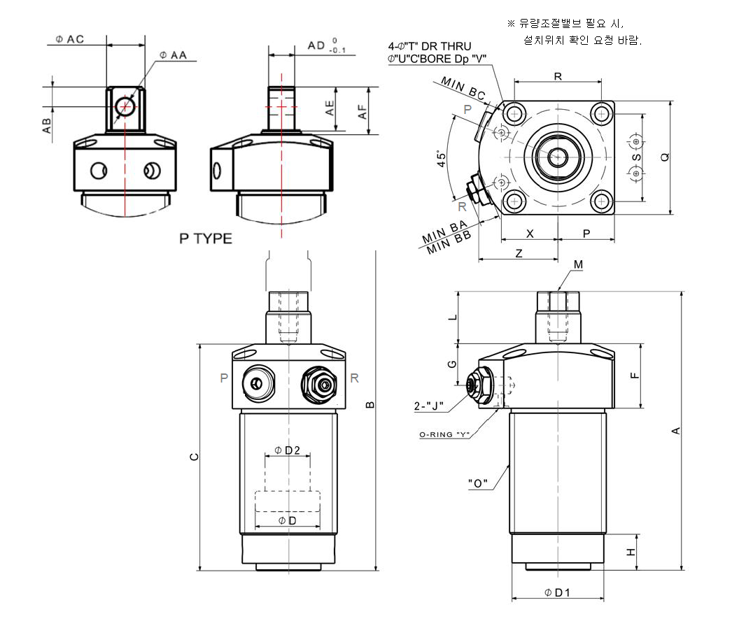
  • 유량조절밸브 필요 시, 설치위치에 대해 확인 요청 바람
Model No.
  • 1
    Clamp Type
    SDP = Flange Clamp
  • 2
    Piston Diameter
    ex ) 25 = Ø25
  • 3
    Pistion Rod Stroke
    ex ) 30 = 30mm
  • 4
    Type
    No sign = Standard
    P = Top, Pin Hole Rod
    G = Top, Gasket
    GP = Top, Gasket + Pin Hole Rod
    GV = Top, Gasket + Flow Control Valve
    GPV = Top, Gasket + Pin Hole Rod + Flow Control Valve
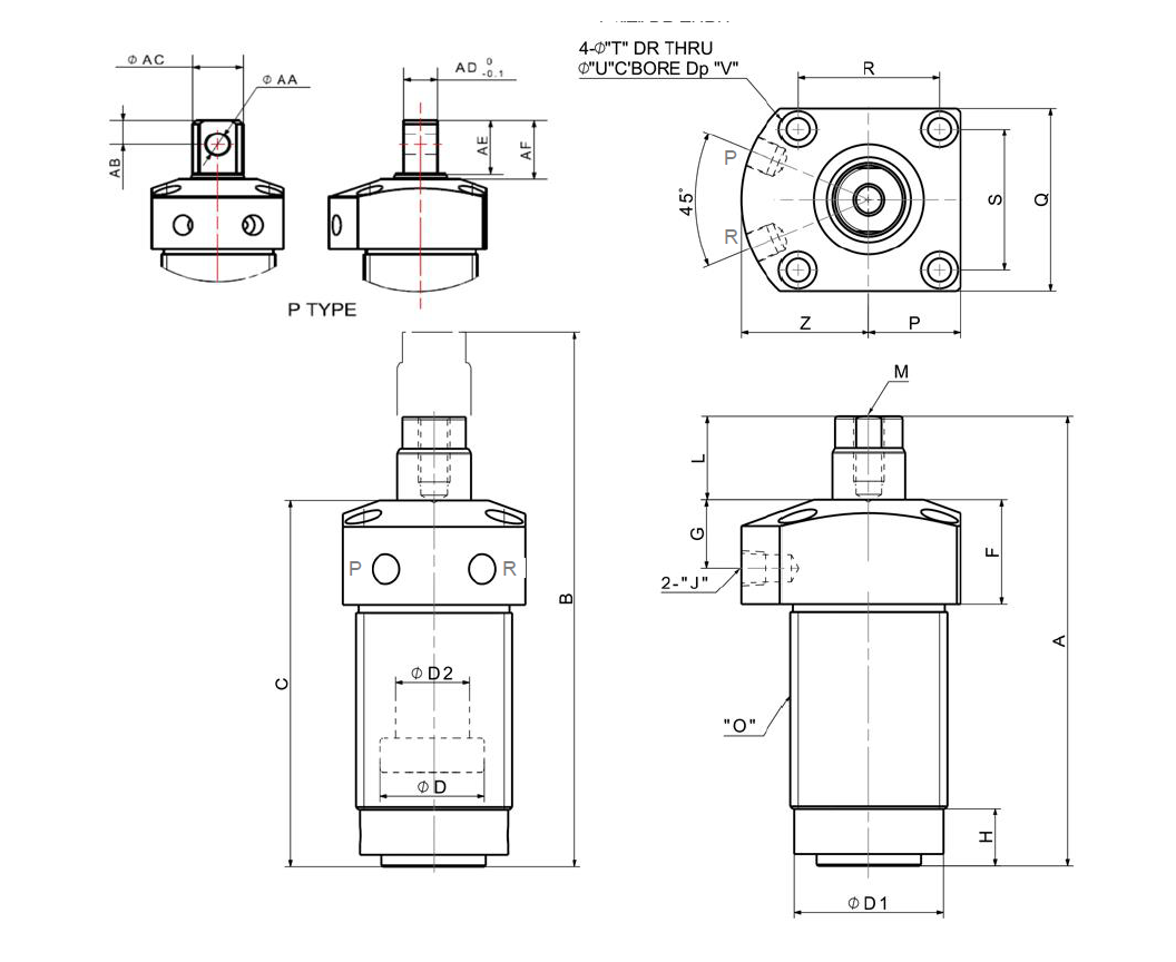
FLANGE CLAMP TOP STANDARD, GASKET TYPE
  • SDP-2530
  • SDP-3037
  • SDP-4055
  • SDP-5577
Specifications
MODEL NO. Clamping Force (Ton) Effective Area(㎠) Oil Capacity (㎤) Piston Weight
Push Pull Push Pull Push Pull Diameter (ø) (kg)
SDP-2530 1.23 0.59 4.91 2.36 14.72 7.09 25 1.06
SDP-2530G 0.99
SDP-2530GV 1.00
SDP-2530P 1.05
SDP-2530GP 0.98
SDP-2530GPV 0.99
SDP-3037 1.77 0.78 7.07 3.13 26.14 11.57 30 1.86
SDP-3037G 1.80
SDP-3037GV 1.81
SDP-3037P 1.85
SDP-3037GP 1.78
SDP-3037GPV 1.79
SDP-4055 3.14 1.60 12.56 6.41 69.08 35.23 45 3.27
SDP-4055G 3.14
SDP-4055GV 3.15
SDP-4055P 3.25
SDP-4055GP 3.11
SDP-4055GPV 3.12
SDP-5577 5.94 3.53 23.75 14.13 182.84 108.80 55 6.74
SDP-5577G 6.36
SDP-5577GV 6.38
SDP-5577P 6.72
SDP-5577GP 6.35
SDP-5577GPV 6.37
- Standard Type
MODEL NO 주문 Download DIMENSINONS(mm)
2D 3D PDF A B C øD øD1 øD2 F G G1 H J L M O P Q R S T U V Z øAA AB øAC AD AE AF
SDP-2530□ 126 156 99 25 37 18 30 21 20 12 PT 1/8 27 M8 x 1.25P M40 x 1.5P 19 55 25 42 6.5 11 15 32 8 10 17 12 22.5 27
SDP-3037□ 153 190 123 30 45.5 22.4 35 22 23 25 PT 1/4 30 M10 x 1.5P M48 x 1.5P 27 54 42 42 6.5 11 15 36.5 10 12 21 14 26 30
SDP-4055□ 172 227 140 40 57 28 40 26 31 22 PT 1/4 32 M12 x 1.75P M60 x 1.5P 35 70 54 54 9 14 20 48.5 12 13 26.5 18 30 34
SDP-5577□ 219 296 182 55 76 35 45 30 35 22 PT 3/8 37 M16 x 2.0P M80 x 2.0P 45 89 70 70 11 17 25 59 16 17 33 22 37 41
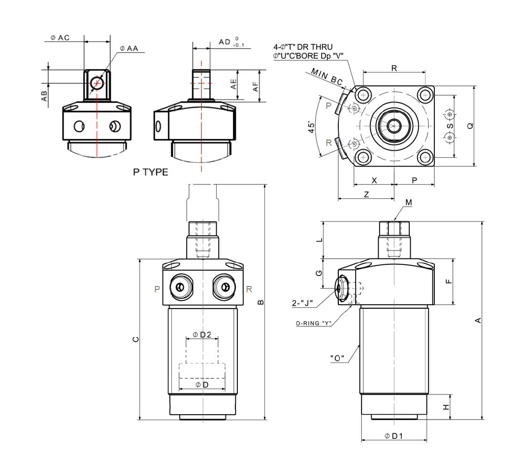
- G Type
MODEL NO 주문 Download DIMENSINONS(mm)
2D 3D PDF A B C øD øD1 øD2 F G G1 H J L M O P Q R S T U V X Y Z BC øAA AB øAC AD AE AF
SDP-2530G□ 126 156 99 25 37 18 30 21 20 12 PT 1/8 27 M8 x 1.25P M40 x 1.5P 19 55 25 42 6.5 11 15 23 P6 32 2.3 8 10 17 12 22.5 27
SDP-3037G□ 153 190 123 30 45.5 22.4 35 22 23 25 PT 1/4 30 M10 x 1.5P M48 x 1.5P 27 54 42 42 6.5 11 15 25.5 P6 36.5 3 10 12 21 14 26 30
SDP-4055G□ 172 227 140 40 57 28 40 26 31 22 PT 1/4 32 M12 x 1.75P M60 x 1.5P 35 70 54 54 9 14 20 35 P6 48.5 3 12 13 26.5 18 30 34
SDP-5577G□ 219 296 182 55 76 35 45 30 35 22 PT 3/8 37 M16 x 2.0P M80 x 2.0P 45 89 70 70 11 17 25 43 P10 59 3 16 17 33 22 37 41
- GV Type
MODEL NO 주문 Download DIMENSINONS(mm)
2D 3D PDF A B C øD øD1 øD2 F G G1 H J L M O P Q R S T U V X Y Z BA BB BC øAA AB øAC AD AE AF
SDP-2530G□V 126 156 99 25 37 18 30 21 20 12 PT 1/8 27 M8 x 1.25P M40 x 1.5P 19 55 25 42 6.5 11 15 23 P6 32 7.1 13.7 2.3 8 10 17 12 22.5 27
SDP-3037G□V 153 190 123 30 45.5 22.4 35 22 23 25 PT 1/4 30 M10 x 1.5P M48 x 1.5P 27 54 42 42 6.5 11 15 25.5 P6 36.5 7.2 16.8 3 10 12 21 14 26 30
SDP-4055G□V 172 227 140 40 57 28 40 26 31 22 PT 1/4 32 M12 x 1.75P M60 x 1.5P 35 70 54 54 9 14 20 35 P6 48.5 7.2 16.8 3 12 13 26.5 18 30 34
SDP-5577G□V 219 296 182 55 76 35 45 30 35 22 PT 3/8 37 M16 x 2.0P M80 x 2.0P 45 89 70 70 11 17 25 43 P10 59 5.7 15.3 3 16 17 33 22 37 41
TOP